SUNWAY 1MW 2MWh Liquid-Cooled ESS

Products BANNER
SUNWAY 1MW 2MWh Liquid-Cooled ESS
SUNWAY 1MW 2MWh Liquid-Cooled ESS
SUNWAY 1MW 2MWh Liquid-Cooled ESS
SUNWAY 1MW 2MWh Liquid-Cooled ESS
SUNWAY 1MW 2MWh Liquid-Cooled ESS
SUNWAY 1MW 2MWh Liquid-Cooled ESS
SUNWAY 1MW 2MWh Liquid-Cooled ESS
SUNWAY 1MW 2MWh Liquid-Cooled ESS
SUNWAY 1MW 2MWh Liquid-Cooled ESS
Description :

The liquid-cooled containerized energy storage system is a highly integrated, industrial-grade solution tailored for the demanding needs of commercial and industrial applications. Enclosed in an IP54-rated structure suited for harsh outdoor environments, it seamlessly combines an energy storage converter, storage batteries, an isolation transformer, liquid cooling for the battery compartment, intelligent air cooling for the electrical compartment, fire protection, and robust energy management. The system offers exceptional grid adaptability, readily accepting grid scheduling while supporting active and reactive power compensation, demand-side response, and new energy grid integration. By automatically charging during off-peak hours and discharging during peak periods, it excels at peak shaving and valley filling, enabling users to capitalize on electricity price differences for maximum economic benefit.

Product Description:

Product Advantages and Features

High Integration & Fast Delivery:

This productized system integrates energy storage batteries, a Power Conversion System (PCS), power distribution, temperature control, fire protection, water immersion door sensors, and monitoring communication, providing comprehensive control over the system’s operational status and risks. This one-stop delivery shortens the on-site installation and commissioning period of the project.

Advanced Liquid Cooling:

The battery compartment utilizes dedicated liquid cooling, while the electrical compartment relies on intelligent air cooling, ensuring optimal thermal management for the entire system. * Intelligent Clustering: The system features multi-branch clustering management, providing higher battery utilization and resolving battery parallel loop current issues.

Diverse Functions:

It supports peak shaving and valley filling, demand-side response, backup power supply, and other major functions. Additionally, it enables remote updates of operational strategies and firmware upgrades, resulting in lower operation and maintenance costs.

Flexible & Scalable:

A modular PCS allows for the linear expansion of battery units and bidirectional energy storage inverter units. It possesses independent charging and discharging control capabilities for multiple battery packs, enhancing battery utilization and safety.

Safe & Intelligent:

A fault escalation handling mechanism responds to preset fault scenarios. A customized Battery Management System (BMS) provides comprehensive measurement and protection functions. Furthermore, it supports cloud-based dispatching and operational report analysis.

Outdoor Durability:

The IP54 protection level adapts to the harsh outdoor environment, which is perfectly suited to the needs of industrial and commercial energy storage.

 

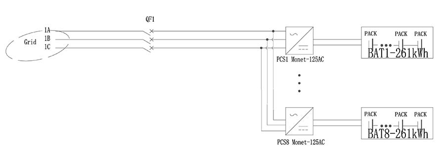
Product Information Sheet

Model SW-20C-1000(2MWh)-L
DC Side Parameters
Operating Voltage Range 580~1000V
Maximum DC Current 200A*8
Compatible Batteries Lithium-ion/Lead-acid/Photovoltaic modules
Charging Method Follows BMS commands/Three-stage/MPPT
Operating Mode Constant current, constant power, MPPT, AC voltage source, DC voltage source
AC Side Parameters (Grid-Connected)
Rated/Maximum AC Power 1000/1100 kW
Rated AC Current 180A *8
Rated AC Voltage 400 V, 3W + PE
Rated AC Frequency 50/60 Hz ± 5 Hz
Total Harmonic Distortion (THDi) <3% (rated power)
Power Factor -1 leading to +1 lagging
Battery Side Parameters
Battery Rated Capacity 261kWh*8
Battery Rated Voltage 832V
Battery Voltage Range 728~936V
Number of Battery String Groups 8P*52S*5S
Compatible Batteries LFP
Cell Capacity 314 Ah
General Parameters
Protection Rating IP54
Operating Temperature -25°C~60°C(derating above 45°C)
Relative Humidity 0~95% (No condensation)
Fire Suppression System Perfluorohexane/Heptafluoropropane pipe-type fire suppression system
Battery Compartment Cooling Method Liquid cooling
Electrical Compartment Cooling Method Intelligent air cooling
Altitude 3000m (Derating above 2000m)
Communication Interface RS485 / CAN
Dimensions (WxDxH) mm 6058*2438*2896mm
Weight (approx.) 25.5t

 

Product details image

 

SUNWAY 1MW 2MWh Liquid-Cooled ESS SUNWAY 1MW 2MWh Liquid-Cooled ESS SUNWAY 1MW 2MWh Liquid-Cooled ESS SUNWAY 1MW 2MWh Liquid-Cooled ESS SUNWAY 1MW 2MWh Liquid-Cooled ESS

Leave a Message

If you are interested in any product, please contact us. We will introduce our products to you in more detail

MESSAGE BOARD

Products
Contacts
WhatsApp
Email