The air-cooled containerized energy storage system is a highly integrated, industrial-grade solution designed specifically to meet the rigorous demands of commercial and industrial energy storage. Housed within a durable IP54-rated enclosure built to withstand harsh outdoor environments , the system seamlessly combines an energy storage converter, storage batteries, an isolation transformer, intelligent air cooling, fire protection, and comprehensive energy management capabilities. Engineered for exceptional grid adaptability, it readily accepts grid scheduling and supports essential functions like active and reactive power compensation, demand-side response, and new energy grid integration. By automatically charging during off-peak hours and discharging during peak hours, the system excels at peak shaving and valley filling , allowing users to realize arbitrage based on electricity price differences and maximize economic benefits.
Product Advantages and Features
High Integration & Fast Delivery:
The system acts as a highly integrated, productized solution containing energy storage batteries, a Power Conversion System (PCS), power distribution, temperature control, fire protection, water immersion door sensors, and monitoring communication. It also incorporates an isolation transformer, dynamic loop monitoring, and energy management. This one-stop delivery significantly shortens the project’s on-site installation and commissioning period.
Diverse Applications:
The product supports major operations including peak shaving and valley filling, demand-side response, and backup power supply. Furthermore, it enables active and reactive power compensation, accepts grid scheduling, and assists in new energy grid-connected applications.
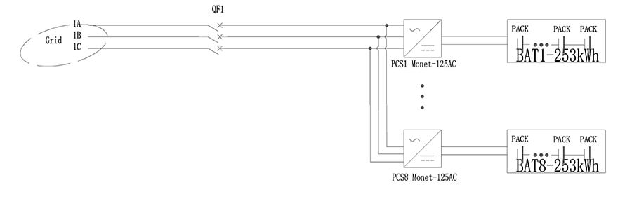
Flexible & Scalable:
A modular PCS allows for the linear expansion of battery units and bidirectional energy storage inverter units. Additionally, it provides independent charging and discharging control capabilities across multiple battery packs, which enhances both overall battery utilization and safety.
Safe & Intelligent:
A customized Battery Management System (BMS) delivers comprehensive measurement and protection functions. The system also utilizes a fault escalation handling mechanism that responds to preset fault scenarios to mitigate risk. It supports cloud-based dispatching, operational report analysis, and remote updates for firmware and operational strategies, ultimately resulting in lower operation and maintenance costs.
Robust Outdoor Durability:
The system features an IP54 protection level tailored to withstand harsh outdoor environments, making it perfectly suited for industrial and commercial energy storage needs.
Product Information Sheet
| Model | SW-20C-1000(2MWh)-A |
| DC Side Parameters | |
| Operating Voltage Range | 580~1000V |
| Maximum DC Current | 200A*8 |
| Compatible Batteries | Lithium-ion/Lead-acid/Photovoltaic modules |
| Charging Method | Follows BMS commands/Three-stage/MPPT |
| Operating Mode | Constant current, constant power, MPPT, AC voltage source, DC voltage source |
| AC Side Parameters (Grid-Connected) | |
| Rated/Maximum AC Power | 1000/1100 kW |
| Rated AC Current | 180A*8 |
| Rated AC Voltage | 400 V, 3W + PE |
| Rated AC Frequency | 50/60 Hz±5Hz |
| Total Harmonic Distortion (THDi) | <3% (rated power) |
| Power Factor | -1 leading to +1 lagging |
| Battery Side Parameters | |
| Battery Rated Capacity | 253.2 kWh*8 |
| Battery Rated Voltage | 806.4 V |
| Battery Voltage Range | 705.6~907.2 V |
| Number of Battery String Groups | 8P*18S*14S |
| Compatible Batteries | LFP |
| Cell Capacity | 314Ah |
| General Parameters | |
| Protection Rating | IP54 |
| Operating Temperature | -25℃~60℃(derating above 45℃) |
| Relative Humidity | 0~95% (No condensation) |
| Fire Suppression System | Perfluorohexane/Heptafluoropropane pipe-type fire suppression system |
| Battery Compartment Cooling Method | Air conditioning and refrigeration |
| Electrical Compartment Cooling Method | Intelligent air cooling |
| Altitude | 3000m (Derating above 2000m) |
| Communication Interface | RS485 /CAN |
| Dimensions (WxDxH)mm | 6058*2438*2896mm |
| Weight (approx.) | 28.5t |
Product details image




Leave a Message
If you are interested in any product, please contact us. We will introduce our products to you in more detail

